Trasformatore di corrente CT
Tipo a ciambella del trasformatore di corrente Ct a sequenza zero
  • Tipo a ciambella del trasformatore di corrente Ct a sequenza zeroTipo a ciambella del trasformatore di corrente Ct a sequenza zero
  • Tipo a ciambella del trasformatore di corrente Ct a sequenza zeroTipo a ciambella del trasformatore di corrente Ct a sequenza zero

Tipo a ciambella del trasformatore di corrente Ct a sequenza zero

Per produrre un tipo di ciambella con trasformatore di corrente ct a sequenza zero di qualità solida, Wenzhou XiFa Electric Power Equipment Co., Ltd adotta materie prime di buona qualità e prezzo competitivo. Nel processo di avvolgimento, Wenzhou XiFa adotta filo smaltato in rame privo di ossigeno per garantire la conduttività elettrica e la resistenza meccanica per ciascun tipo a ciambella del trasformatore di corrente ct a sequenza zero. Nel frattempo, nel processo di produzione del nucleo, Wenzhou XiFa utilizza un foglio di acciaio al silicio ad alta permeabilità magnetica per mantenere prestazioni eccellenti sulla risposta sensibile alla minuscola corrente a sequenza zero.

Un trasformatore di corrente ct a sequenza zero è un dispositivo a nucleo passante a giro singolo utilizzato nei sistemi di alimentazione per monitorare le correnti a sequenza zero. Serve come componente critico dei sistemi di relè di protezione, utilizzato principalmente per rilevare guasti a terra, correnti di dispersione e monitoraggio dell'isolamento. Rilevando la somma vettoriale delle tre correnti di fase e la corrente di sequenza zero risultante, il trasformatore di corrente ct a sequenza zero può attivare operazioni di protezione e interfacciarsi con selettori di messa a terra a bassa corrente, dispositivi digitali di soppressione delle armoniche e unità di protezione relè per fornire avvisi di guasto e scollegare l'alimentazione.

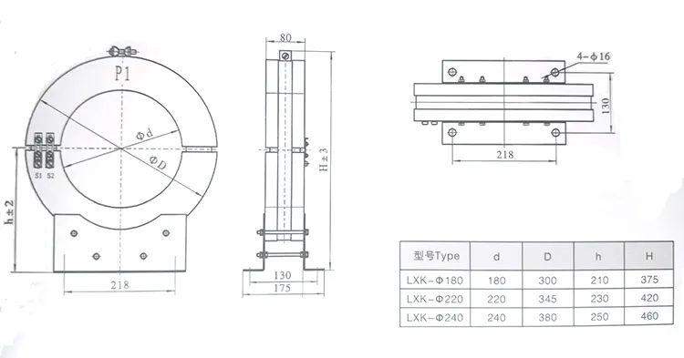
Strutturalmente, il trasformatore di corrente ct a sequenza zero è costituito da un nucleo toroidale e un avvolgimento secondario incapsulati all'interno di un alloggiamento in resina epossidica o gomma siliconica, che offre resistenza all'umidità e protezione contro le scariche di inquinamento. Le opzioni di installazione includono il design solido, che richiede cavi pre-instradati, e il design split core, che consente l'aggiornamento senza scollegare i cavi.

È compatibile con i sistemi di alimentazione a 50 Hz, che fornisce la sensibilità e la linearità necessarie per varie configurazioni del punto neutro, compresi i sistemi con e senza messa a terra. I trasformatori di corrente ct a sequenza zero sono ampiamente applicati nelle reti intelligenti, nel trasporto ferroviario, negli impianti elettrici degli edifici e nel monitoraggio delle apparecchiature industriali, per fornire un rilevamento affidabile dei guasti e una protezione del sistema.

Zero Sequence Ct Current Transformer Donut TypeZero Sequence Ct Current Transformer Donut Type

Tipo Tipo di relè Metodo di connessione Valore di scala Corrente primaria Tipo Tipo di relè Metodo di connessione Valore di scala Corrente primaria
LXK-Φ80 LXK-Φ100 LXK-Φ120 LXK-Φ150 DD11/60 Serie 15*1 2.4-4.5 LXK-Φ180 LXK-Φ220 LXK-Φ240 DD11/60 Serie 15*1 2.4-4.5
30*1 30*1
Parallelo 15*2 3-5 Parallelo 15*2 3-5
30*2 30*2
DD1/60 Serie 15*1 3-5 DD1/60 Serie 15*1 3-5
30*1 30*1
Parallelo 15*2 3-6 Parallelo 15*2 3-6
30*2 30*2

Zero Sequence Ct Current Transformer Donut Type

Domande frequenti sul prodotto:

D: Cos'è un trasformatore di corrente ct a sequenza zero di tipo a ciambella?

Un trasformatore di corrente CT a sequenza zero di tipo a ciambella è un dispositivo a nucleo passante progettato per rilevare correnti a sequenza zero in sistemi trifase. Il suo nucleo toroidale consente al conduttore primario di passare attraverso il centro, fornendo un monitoraggio non intrusivo di guasti a terra, correnti di dispersione e condizioni di isolamento.

D: Come funziona il segnale di uscita del trasformatore di corrente ct a sequenza zero di tipo a ciambella?

R: Il trasformatore di corrente ct a sequenza zero di tipo a ciambella converte la corrente a sequenza zero in una tensione proporzionale o corrente secondaria utilizzando l'avvolgimento ad alta precisione e la tecnologia della bobina Rogowski. Questa uscita è compatibile con relè, misuratori e sistemi di monitoraggio per un rilevamento guasti rapido e accurato.

D: Quali sono le applicazioni tipiche di un trasformatore di corrente a sequenza zero di tipo a ciambella?

A: un trasformatore di corrente ct di tipo a ciambella è comunemente utilizzato in:

1. Protezione dai guasti a terra e rilevamento della corrente di dispersione;

2.Monitoraggio del punto neutro nei sistemi di distribuzione dell'energia;

3.Integrazione con relè di protezione digitale, dispositivi di soppressione delle armoniche e sistemi di monitoraggio della rete intelligente.

4.Attrezzature industriali, costruzione di reti elettriche e sistemi di trasporto ferroviario.




Tag caldi: Trasformatore di corrente CT a sequenza zero, TA di tipo a ciambella, trasformatore di protezione dai guasti verso terra
Invia richiesta
Informazioni di contatto

Per ottenere il tuo preventivo il prima possibile

XiFa: il tuo fornitore affidabile di apparecchiature elettriche
X
Utilizziamo i cookie per offrirti una migliore esperienza di navigazione, analizzare il traffico del sito e personalizzare i contenuti. Utilizzando questo sito, accetti il ​​nostro utilizzo dei cookie. politica sulla riservatezza
Rifiutare Accettare