Trasformatore di corrente CT
Trasformatore di corrente Ct elettrico fuso in resina
  • Trasformatore di corrente Ct elettrico fuso in resinaTrasformatore di corrente Ct elettrico fuso in resina
  • Trasformatore di corrente Ct elettrico fuso in resinaTrasformatore di corrente Ct elettrico fuso in resina

Trasformatore di corrente Ct elettrico fuso in resina

Wenzhou XiFa Electric Power Equipment Co., Ltd è una produzione professionale per la produzione di trasformatori di corrente elettrici ct in resina fusa dove adotta quadri elettrici da 10 kv a 35 kv. A Wenzhou XiFa, il team di produzione cola la resina epossidica in un ambiente sotto vuoto per rimuovere le bolle sul lato del trasformatore di corrente e prevenire scariche parziali sulla superficie. Nel frattempo, il trasformatore di corrente elettrico ct in resina è progettato come struttura isolante multistrato per ottenere prestazioni migliori sulla resistenza alla tensione e stabilità a lungo termine.

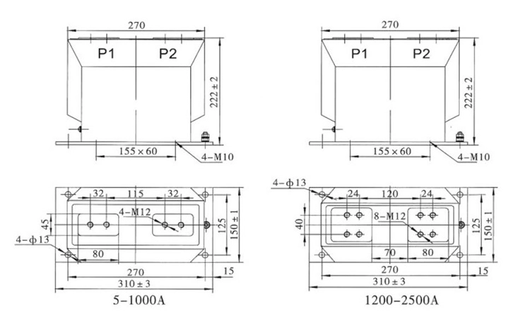
Il trasformatore di corrente elettrico ct in resina è un'unità di tipo post, in resina epossidica, colata sotto vuoto, per interni, progettata per sistemi di alimentazione con livello di tensione di 10 kv con una frequenza nominale di 50 Hz. Viene utilizzato principalmente per la misurazione della corrente, la misurazione dell'energia e i relè di protezione.

Il trasformatore di corrente ct elettrico fuso in resina adotta un processo di fusione di resina epossidica completamente chiuso, in cui il nucleo è realizzato in materiale magnetico di alta qualità e sia la bobina primaria che quella secondaria insieme al nucleo sono incorporate nella resina. Questa costruzione offre prestazioni eccellenti in termini di isolamento, resistenza all'umidità e resistenza all'inquinamento. La superficie di un trasformatore di corrente ct elettrico fuso in resina non richiede rivestimento aggiuntivo e il trasformatore di corrente può essere installato in più posizioni.

La gamma copre sia classi di misura, come 0.2S e 0.5S, che classi di protezione, come 10P10 e 10P20. È disponibile un design multi-rapporto sul trasformatore di corrente elettrico ct in resina, per renderlo particolarmente adatto all'uso in quadri elettrici rivestiti in metallo.

Resin Cast Electrical Ct Current TransformerResin Cast Electrical Ct Current Transformer

Specifica tecnica:

Tipo Corrente nominale primaria (A) Classe di precisione Classe di precisione e potenza nominale cosΦ=0,8 Corrente termica a breve termine (kA/S) Corrente dinamica nominale (kA)
0,2 (s) 0,5 (s) 10P10 10P15 10P20
LZZBJ9-10 5-150 0,2 s/0,5 0,2 s/10 P 0,2/10 P 0,5 s/10 P 0,5/10 P 10 10 15 15 10 100I1n 250I1n
200-300 31.5 80
400-500 45 112
600-1000 63 130
1200-1500 80 160
2000-2500 100 180

Resin Cast Electrical Ct Current Transformer

Domande frequenti sul prodotto:

D: Quali parametri tecnici si dovrebbero controllare quando si seleziona un trasformatore di corrente elettrico ct in resina?

A: i seguenti parametri chiave devono essere controllati durante la selezione:

1. Classe di precisione: per misurazione/misurazione (ad esempio 0,2 s o 0,5) e per scopi di protezione (ad esempio 10P10, 5P10, ecc.).

2.Corrente primaria e secondaria nominale (rapporto di trasformazione).

3.Corrente termica di breve durata (Ith) e capacità di tenuta alla corrente di breve durata (per condizioni di guasto).

4. Livelli di isolamento (tenuta di tensione, tensione nominale di impulso, ecc.).

5. Tolleranze ambientali: intervallo di temperatura, altitudine, umidità, livello di inquinamento.

6. Carico: il carico VA che il secondario deve gestire senza compromettere la precisione.

D: In quali ambienti o applicazioni sono particolarmente adatti i trasformatori di corrente elettrica ct in resina?

A: i seguenti ambienti o applicazioni sono adatti per un trasformatore di corrente elettrico ct in resina:

1.Quadri per interni, dove lo spazio è limitato e l'isolamento è fondamentale.

2.In ambienti difficili o inquinati (polvere, umidità, sostanze chimiche) dove le parti aperte o l'olio potrebbero degradarsi.

3. Nei circuiti di misurazione e protezione che richiedono misurazioni stabili e accurate per lunghi periodi.

4.Applicazioni in cui sono importanti la bassa manutenzione e l'elevata affidabilità.

Tag caldi: Fornitore di trasformatori di corrente in resina, produttore di trasformatori elettrici CT, commercio all'ingrosso di trasformatori CT personalizzati
Invia richiesta
Informazioni di contatto

Per ottenere il tuo preventivo il prima possibile

XiFa: il tuo fornitore affidabile di apparecchiature elettriche
X
Utilizziamo i cookie per offrirti una migliore esperienza di navigazione, analizzare il traffico del sito e personalizzare i contenuti. Utilizzando questo sito, accetti il ​​nostro utilizzo dei cookie. politica sulla riservatezza
Rifiutare Accettare