Trasformatore di corrente CT
Tipo di ferita 5p10 5p20 Ct 100 150 400 5a
  • Tipo di ferita 5p10 5p20 Ct 100 150 400 5aTipo di ferita 5p10 5p20 Ct 100 150 400 5a

Tipo di ferita 5p10 5p20 Ct 100 150 400 5a

Per fornire trasformatori potenziali e trasformatori di corrente di alta qualità, Wenzhou XiFa Electric Power Equipment Co., Ltd supporta un servizio personalizzato a clienti come la produzione e la fornitura di tipo avvolto 5p10 5p20 ct 100 150 400 5a. In WenZhou XiFa electric, il team di produzione mantiene l'inventario per trasformatori di corrente di tipo normale, come un trasformatore di corrente 100/5a 10p10 0,5, per garantire la consegna rapida. Tuttavia, l'azienda supporta servizi personalizzati per soddisfare varie richieste di energia elettrica, come l'alimentazione di trasformatori di corrente la cui classe di protezione è 5p10 o 5p20.

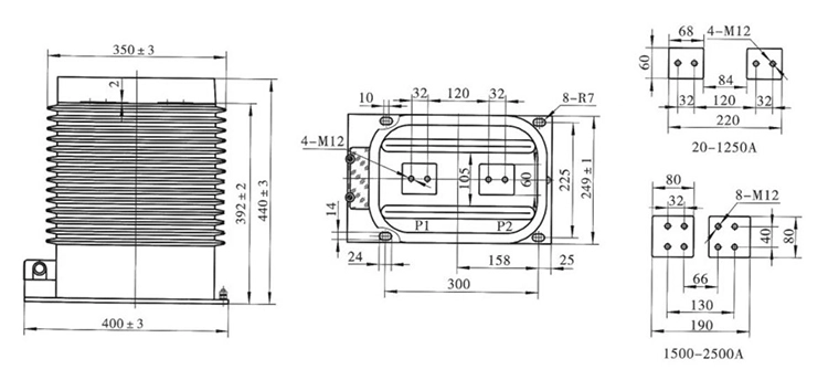
Il trasformatore di corrente di tipo avvolto è progettato per la misurazione e la protezione affidabile della corrente in sistemi di alimentazione a media tensione come 10kv, 20kv e 35kv. Disponibile nei rapporti di corrente di 100/5A, 150/5A e 400/5A e con classi di precisione di protezione di 5P10 e 5P20, questo tipo avvolto 5p10 5p20 ct 100 150 400 5a fornisce un'uscita di corrente secondaria precisa adatta sia per applicazioni di misurazione, conteggio e relè di protezione.

Realizzato con nuclei magnetici solidi e bobine secondarie, il trasformatore di corrente di tipo avvolto garantisce prestazioni stabili in condizioni di cortocircuito e fornisce una trasformazione di corrente accurata anche durante eventi transitori. Il suo robusto sistema di isolamento, che spesso incorpora resina epossidica o di alta qualità, garantisce sicurezza, lunga durata e resistenza all'umidità e allo stress ambientale.

Il design del tipo avvolto consente un'installazione flessibile in quadri elettrici, pannelli di controllo e quadri di distribuzione, per fornire un supporto affidabile per gli schemi di protezione dei relè. Il trasformatore di corrente di tipo avvolto è ideale per impianti industriali, strutture commerciali e reti di distribuzione di servizi pubblici in cui la misurazione della corrente accurata e affidabile è essenziale sia per il monitoraggio operativo che per il controllo protettivo.

Wound Type 5p10 5p20 Ct 100 150 400 5a

Specifica tecnica:

Tipo Corrente nominale primaria (A) Classe di precisione Classe di precisione e potenza nominale cosΦ=0,8 Corrente termica a breve termine (kA/S) Corrente dinamica nominale (kA)
0,2 (s) 0,5 (s) 10P10
LZZBJ9-35 20-100 0,2/0,2 0,2/0,5 0,2/5P20 0,5/5P20 0,2/0,5/5P 0,2/5P/5P 10 10 15 150I1n 375I1n
150-200 31.5 80
300-500 31,5/2 80
600-1250 15 30 20 31,5/4 80
1500-2000 20 40 30 40/4 125
2500 20 40 20 40/4 125


Tipo Corrente nominale primaria (A) Classe di precisione Capacità (VA) Corrente termica a breve termine (kA/S) Corrente dinamica nominale (kA)
LZZBJ9-35 10 0,2/10P10 0,5/10P10 0,2/5P20 0,5/5P20 0,2/0,5/10P10 0,2/0,5/5P20 0,2/10P10/5P20 0,5/10P10/5P20 15/20 20/20 15/20 20/20 15/20/20 15/20/20 15/20/20 20/20/20 1,5/1 3.75
20 2/1 5
30 3/1 7.5
40 4/1 10
50 5/1 12.5
75 7,5/1 18.75
100 10/1 25
150 15/1 37.5
200 20/1 50
300 31,5/1 80
400 31,5/2 80
500 31,5/2 80
600 31,5/2 80
800 31,5/3 80
1000 31,5/3 80
1200 31,5/3 80
1500 31,5/3 80
2000 31,5/3 80

Wound Type 5p10 5p20 Ct 100 150 400 5a

Domande frequenti sul prodotto:

D: Cosa significa "ferita di tipo 5P10" o "5P20" in una ferita di tipo 5p10 5p20 ct 100 150 400 5a?

R: Il termine “tipo avvolto” si riferisce ai TA in cui il conduttore primario è un avvolgimento avvolto anziché una sbarra collettrice o una barra passante nel nucleo. La classe 5P10 o 5P20 indica la precisione della protezione: 5P significa errore fino al 5% alla corrente secondaria nominale e il numero 10 o 20 è il multiplo di breve durata massimo consentito della corrente primaria nominale senza superare l'errore specificato.

D: Come scelgo la classificazione CT corretta per il mio sistema?

R: Selezionare un TA in base alla corrente di carico massima e ai requisiti di protezione del sistema. Ad esempio, un TA da 100/5 A è adatto per circuiti con correnti tipiche intorno a 100 A, mentre un TA da 400/5 A è progettato per alimentatori a corrente più elevata. Scegliere una classe di protezione (5P10 o 5P20) in base alla sensibilità di rilevamento guasti del relè e alla corrente di cortocircuito prevista.

D: Quali condizioni ambientali possono gestire le ferite di tipo 5p10 5p20 ct 100 150 400 5a?

R: Questi trasformatori di corrente di tipo avvolto sono generalmente adatti a temperature ambiente comprese tra –10 °C e +40 °C, con un'altitudine massima di 1.000 m. I materiali dell'alloggiamento e i sistemi di isolamento sono progettati per un funzionamento resistente all'umidità, alla polvere e all'inquinamento, per garantire prestazioni di protezione affidabili in ambienti industriali e di pubblica utilità.




Tag caldi: Tipo avvolto 5p10 5p20 Ct 100 150 400 5a, fornitore di trasformatori di corrente, trasformatori di misurazione all'ingrosso
Invia richiesta
Informazioni di contatto

Per ottenere il tuo preventivo il prima possibile

XiFa: il tuo fornitore affidabile di apparecchiature elettriche
X
Utilizziamo i cookie per offrirti una migliore esperienza di navigazione, analizzare il traffico del sito e personalizzare i contenuti. Utilizzando questo sito, accetti il ​​nostro utilizzo dei cookie. politica sulla riservatezza
Rifiutare Accettare