Trasformatore potenziale PT
Trasformatore potenziale monofase da 13,8 Kv nella sottostazione
  • Trasformatore potenziale monofase da 13,8 Kv nella sottostazioneTrasformatore potenziale monofase da 13,8 Kv nella sottostazione

Trasformatore potenziale monofase da 13,8 Kv nella sottostazione

Per produrre un affidabile trasformatore di potenziale monofase da 13,8 kv nella sottostazione, Wenzhou XiFa Electric Power Equipment Co., Ltd adotta l'acciaio elettrico CRGO premium come materiale principale del nucleo per ridurre il valore di perdita e migliorare la classe di precisione, e filo di rame smaltato ad alta resistenza come materiale principale della bobina per garantire il rapporto di spire e l'isolamento giro per giro attraverso l'avvolgimento di precisione. Sempre più, ogni trasformatore potenziale monofase da 13,8 kv nella sottostazione adotta il processo di produzione della colata sotto vuoto di resina epossidica per creare una struttura complessivamente solidificata che non assorbe facilmente l'umidità, adatta per ambienti caldi, umidi e polverosi.

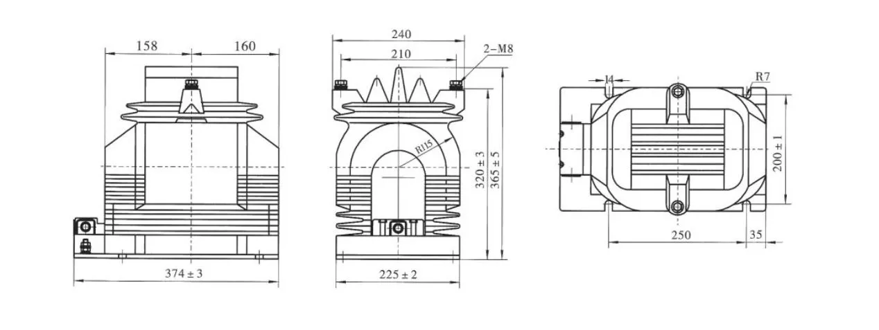
Caratteristiche del prodotto:

Un trasformatore potenziale monofase da 13,8 Kv nella sottostazione è progettato per ridurre la tensione primaria di 13,8 kv a una tensione secondaria standard, come 100 o 110 volt. La tensione ridotta viene quindi fornita agli avvolgimenti paralleli per misurare strumenti e relè di protezione, consentendo di effettuare indirettamente misurazioni della tensione primaria con strumenti a bassa tensione. Un simile approccio semplifica la progettazione dello strumento, riduce i costi e garantisce la sicurezza sia delle apparecchiature che del personale operativo.


Il principio di funzionamento di un trasformatore potenziale monofase da 13,8 kv è lo stesso di un trasformatore di distribuzione di potenza, il cui rapporto di trasformazione è determinato dal numero di spire nelle bobine primaria e secondaria. Aumentando il numero di turni secondari si riduce il rapporto, mentre aumentando il numero di turni primari lo si aumenta. È importante notare che in nessun caso il circuito secondario di un trasformatore potenziale monofase da 13,8 kv deve essere cortocircuitato durante il funzionamento.

13 8 Kv Single Phase Potential Transformer In Substation

Specifica tecnica:

Tipo Rapporto di tensione nominale (kV) Classe di precisione Classe di precisione e potenza nominale cosΦ=0,8 Il massimo. Potenza (VA)
0.2 0.5 1 6(P)
JDZ11-15 (15/√3)/(0,1/√3)/(0,1/3) 0,2/6P 0,5/6P 1/6P 30 80 150 100 400
JDZ11-20 (20/√3)/(0,1/√3)/(0,1/3)
JDZ11-15 (15/√3)/(0,1/√3)/(0,1/√3)/(0,1/3) 0,2/0,2/6P 0,2/0,5/6P 15 20 N / A 100 2*200
JDZX11-20 (20/√3)/(0,1/√3)/(0,1/√3)/(0,1/3)

13 8 Kv Single Phase Potential Transformer In Substation

Domande frequenti sul prodotto:

D: In cosa differisce un trasformatore potenziale monofase da 13,8 kv da un trasformatore di potenza da 13,8 kv?

R: Sebbene entrambi siano dispositivi di conversione della tensione, un trasformatore di potenziale monofase da 13,8 kv è progettato per la misurazione e la protezione piuttosto che per il trasferimento di potenza. Il suo carico nominale è relativamente piccolo, solitamente espresso in VA, mentre i trasformatori di potenza gestiscono carichi di valore maggiore che conta in kVA o MVA.


D: Quali metodi di isolamento vengono utilizzati in un trasformatore potenziale monofase da 13,8 kv?

R: La maggior partepotenziali trasformatoria questo livello di tensione utilizzare un isolamento in resina epossidica per il servizio interno o custodie in porcellana/silicone per installazioni esterne. Alcuni progetti utilizzano l'isolamento immerso in olio per ottenere una durata operativa prolungata e una maggiore capacità termica.


D: Come deve essere collegato un trasformatore potenziale monofase da 13,8 kV in una sottostazione?

R: Per la misurazione fase-terra, il primario PT è collegato tra una fase e terra. In un sistema trifase, è possibile utilizzare un set di PT monofase o un'unità PT trifase per misurare le tensioni linea-linea e linea-terra.


D: Quali problemi possono sorgere con i trasformatori potenziali monofase da 13,8 kV nelle sottostazioni?

R: I problemi più comuni includono il degrado dell'isolamento, la ferrorisonanza in determinate condizioni di commutazione, il surriscaldamento dovuto al sovraccarico e condizioni di circuito secondario aperto che possono causare tensioni pericolosamente elevate.



Tag caldi: Trasformatore potenziale monofase da 13,8 Kv nel fornitore di sottostazioni, commercio all'ingrosso di trasformatori potenziali per sottostazioni
Invia richiesta
Informazioni di contatto

Per ottenere il tuo preventivo il prima possibile

XiFa: il tuo fornitore affidabile di apparecchiature elettriche
X
Utilizziamo i cookie per offrirti una migliore esperienza di navigazione, analizzare il traffico del sito e personalizzare i contenuti. Utilizzando questo sito, accetti il ​​nostro utilizzo dei cookie. politica sulla riservatezza
Rifiutare Accettare